
Model Description
HX | Manually adjusted metering pump frequency. Optional liquid level probe interface.Features power-off reset or power-off retention function. |
HQ | Manual adjustment. Signal adjustment: Adjusts flow proportion based on digital pulse signal (e.g., from water meter). Equipped with liquid level probe interface. |
HN | Manual adjustment. Signal adjustment: Adjusts pump frequency based on external analog signal (4-20mA). Equipped with liquid level probe interface. |
Model Flow (L/H) Pressure (Bar) Connection Hose ID/OD (mm) Max Frequency (strokes/min) Power (W) Gross Weight (kg) HX/HQ/HN-1-7-S 1 7 4×6 120 25 2.6 HX/HQ/HN-2-7-S 2 7 HX/HQ/HN-3-7-S 3 7 HX/HQ/HN-6-5-S 6 5 HX/HQ/HN-9-3-S 9 3 HX/HQ/HN-6-7-M 6 7 4×6 160 50 2.9 HX/HQ/HN-9-7-M 9 7 HX/HQ/HN-12-7-M 12 7 HX/HQ/HN-15-3-M 15 3 HX/HQ/HN-20-3-M 20 3 HX/HQ/HN-30-03-L 30 3 8×12 180 80 5.8 HX/HQ/HN-40-02-L 40 2 HX/HQ/HN-50-02-L 50 2 HX/HQ/HN01Y-S 1 1 4×6 40 5 1.4
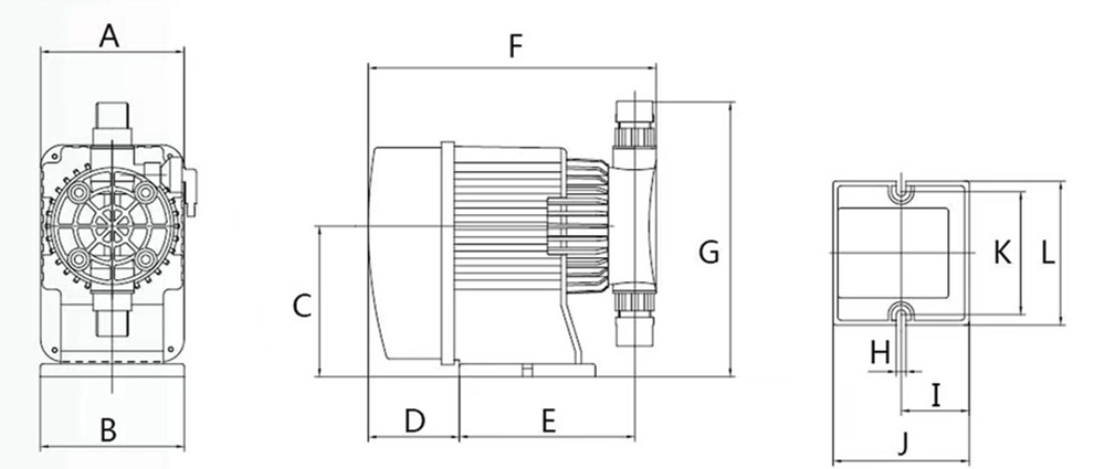
HX/HQ/HN Series Electromagnetic metering pump Installation Dimension Diagram Unit: mm

Dimensions(mm) | |||
Model | S Series | M Series | L Series |
A | 91 | 101 | 118 |
B | 90 | 100 | 115 |
C | 94 | 103 | 119 |
D | 57 | 62 | 64 |
E | 110 | 115 | 130 |
F | 180 | 190 | 207 |
G | 172 | 185 | 210 |
H | 6 | 6 | 6 |
I | 42.5 | 45 | 21 |
J | 80 | 90 | 102 |
K | 77 | 85 | 102 |
L | 90 | 100 | 115 |
Standard Installation Accessories
